
天龍1000K太陽能電源救援車
所屬欄目:應急救援車/排澇車
聯系人:杜經理
聯系電話:158-9761-2777
地址:湖北省隨州市超長質保
專業團隊
全程監督
合作共贏
來電咨詢,優惠多多!
全方位高清圖展示
具體參數
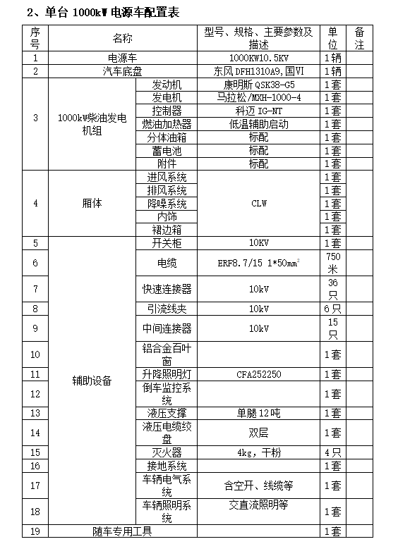
程力集團太陽能電源應急車—發電車
1、電源車介紹
我公司研發生產的應急電源車,一直致力于采用高品質發電機組,作質量可靠地電源車。經過多年的設計研究,我公司可根據客戶的要求,配套各種品牌的發電機組,為客戶提供經**指定檢測機構檢測的優質產品,以滿足客戶的不同需求。并且所設計的電源車移動能力強,操作方便簡單,適用于重要會議、大型會展和頻繁移動用電的環境,特別適用于執行搶修救災任務、舉行大型活動、礦山勘探等。

本次所提供的產品,核心部件選用康明斯發動機配馬拉松發電機,并且使用東風DFH1310A9二類底盤承載。采用整體車廂改裝方式,由骨架、外蒙皮、保溫層、內蒙皮、檢修門、進排風降噪系統、踏梯等組成;具有吸音降噪、防水、防銹、隔熱、防火功能;其結構合理,外形美觀、密封性好,完全適合戶外工作。每一個細節均根據招標方需求,單獨制定**方案。





6、底盤
機組使用的汽車底盤符合我國汽車改裝標準和國Ⅵ排放標準,具有中華人民共和國工業與信息化部發布的《車輛生產企業和產品》公告,保證行駛安全性,適應一次性加油長途行駛,爬坡性能好,剎車性能好、密封性能好、具備一定涉水性能,濾芯器具備防沙功能。改裝后汽車底盤上帶有機組用油箱(滿足機組滿載運行8小時用油)、液壓支撐系統(可根據路面狀況調節平衡),并符合國標要求。車輛改裝后通過道路試驗,并具有**型式試驗報告。
7、發電機組及其附件

發電機組示意圖
7.1發電機組技術參數
機組安裝采用兩級減震措施機組應有減振裝置,機組運行時振動的單振幅值≤0.25mm,將發電機組安裝在車廂上,機組與底板間加裝減震裝置和橡膠絕緣制動裝置,保證了車輛在行駛過程中的安全性和制動性能。機組采用螺栓結構固定,以方便發電機組的拆卸檢修。
7.2發電機組系統原理
單機系統:
如上圖所示:
電源車由發電機組、發電機組**系統、配電柜、負載輸出快速插頭、電纜盤、室內插座、照明、等系統組成。
發電機組**系統具有(柴油機:水溫、轉速、潤滑油和燃油數據、啟動電池電壓和各種報**顯示——發電機:頻率、電壓(線電壓、相電壓)、電流(線電流、相電流)和各種報**顯示)**屏應具備發電機組運行**的各種功能。
發電機組輸出**配電柜,由配電柜統一對所有供電系統進行供電。
配電柜內安裝有照明**、電纜盤**、室內插座**等系統,所有供電系統都具有短路、過流、過壓、漏電保護。
發電機組的負載輸出方式采用電纜快速聯接器,方便了動力電纜的聯接和安全。
低壓配電柜內預留有輸助和檢修市電輸入接口,車上所有低壓配電系統都可通過外接市電來進行操作。如收放電纜、蓄電池充電、車內檢修插座用電等。
多臺并機系統設計方案:
發電機系統包括移動電源車,并機**系統,輸出柜組成。


系統功能:
(1)每臺電源車都具有并機功能和相應的并機裝置。
(2)發電機具有自動啟動功能,當系統置于自動啟動功能時,可檢測市電狀態。當市電因故障導致失壓時,電源車可自動啟動發電機組,閉合出口開關,帶負荷工作。
(3)每臺機組不需做任何調整即可單機工作,其中兩臺機組并車屏間的**電纜以航空插頭形式相接;隨車配置長度15米的并車**電纜。
(4)手動并車工作方式:可手動操作機組啟動,按下同期按鈕,并車屏檢測母線是否有電壓。如無電壓則閉合出口開關;反之,則自動調整機組狀態與母線(即另一臺機組)同屏、同壓、同相位角后自動閉合出口開關,兩臺機組并聯運行,平穩轉移負載的有功功率和無功功率;
(5)自動并車工作方式:系統置于自動狀態,可監測市電狀態,市電狀態故障失壓時,可任意設定單機或多機同時啟動,自動并網向負載供電,根據負載的情況自動決定系統工作的機組數量,平穩轉移負載的有功功率和無功功率,還具備互備功能,即運行中故障,自動起另一臺機組向負載供電。
(6)機組并聯運行時,當負載在總標定功率的20%~**范圍內變化時,能穩定運行,其功率分配誤差符合以下要求:
A.各臺發電機實際承擔的有功功率與按標定功率比率分配的計算值之差,在發電機標定功率相同時不超過每臺發電機標定功率的±10%;當發電機標定功率不同時,不超過**發電機標定功率的±10%,**小發電機標定功率的±20%;
B.各臺發電機實際承擔的無功功率與按發電機標定功率比例分配的計算值之差,不超過**發電機標定無功功率的±10%,**小發電機標定功率的±20%
(7)發電機組在所規定的工作條件下(GB2820),機組能以標定功率正常連續運行12h(其中包括以備用功率即超過標定功率10%運行1小時),并能以持續功率長期運行(持續功率即為標定功率的0.9倍),且機組無漏油、漏水和漏氣現象。
(8)柴油發電機組進風量大于排風量和燃氣量的總和,機組在運行時廂內無負壓,且廂體內**風速不超過8m/s。
(9)輸出電纜與發電機組輸出端的連接采用快速連接插件。
7.3機組**屏

捷克科邁模塊自啟動中文液晶**屏:(IG-NT)
自動并車**屏是與電調(或電噴)型柴油發電機組配套使用,**兩臺或多臺柴油發電機組實現自動并車運行。該**屏選用原裝進口科邁智能**器為核心,組合自動同步器、自動負載分配器、自動調壓器模塊等模塊,及帶電子脫扣器的斷路器為機組閘(主開關)等組成。該系統具有機組自動同步并車、自動負載分配、并車自動裝卸載、逆功保護、油機各故障保護、負載過載保護等一系列功能。
該系統同時還具有如下顯著優點:
非常實用:本系統采用一機一屏,機組既可以**單機使用又可以并機使用。
操作簡單:全自動工作及中文(英文可選)操作系統,內置故障檢測功能,外圍電路簡單,測試工作量少,省去了傳統的PLC編程麻煩,降低了對操作人員的專業要求,便于操作和使用。
體積小:單臺機組具備并機功能
維修方便:**器系統中的所有模塊均采用同一公司生產,并用插鍵式疊加安裝,非??煽?,**器集成了以往的大部分外圍繼電器邏輯電路,外圍元件電路簡單,故障率小。
歷史記錄:記錄所有故障、操作過程,可記錄多達200次發生的事件,方便維護人員檢查發生的故障及操作記錄。
更具經濟性:根據負荷大小,自動投入適當臺數,以避免大功率機組小負荷運行。
使用壽命長:使用輪休制,在同樣的發電時間內減少每臺機組使用率。
可靠性強:即使在維修保養或故障檢修時,也可保證50%以上電力供應。
初步投資更顯經濟:只需安裝現在所需功率之機組,待今后需擴展時,增加機組即可。
機組**系統以捷克科邁微電腦軟件為核心的**屏,面板上有個多功能中文顯示器,提供符號、直條圖顯示來應付更高的要求。通過轉接口可提供RS-232接口搭配實時監控軟件,以現場直接聯機方式或利用調制解調器和電話線進行遠程通信達到電腦監控功能。
并車**屏為全數字無觸點形式,參數均以中文液晶形式顯示;主控模塊為捷克原裝進口件;
**屏各監測儀表的準確度等級:頻率表不低于5.0級,其它不低于2.5級;
在設備使用壽命期限內,**系統具備升級、更新的功能
7.4機組油箱
機組配滿足連續使用8小時的底座油箱,油箱箱體采用不銹鋼材料經過防腐蝕處理,確保長期貯存柴油時安全可靠不滲漏。油箱安裝有油位表,高有低油位報**裝置。加油口可以在加油站從車體外直接加油。機組的柴油排油口、柴油排氣口、機油排污口、冷卻液排污口均通過導管連接到車外,并配置銅開關,以方便加油及柴油、潤滑油、冷卻液的更換。
7.5**啟動裝置
發電機組配置燃油加熱器一套,確保機組在低溫環境下能夠正常啟動。
7.6機組蓄電池

機組安裝兩個高性能24V蓄電池,安裝在發電機組上。其主要優點有:安全可靠、使用壽命長、免補水、免維護、密封性好、強度高、安全性強等。蓄電池可由發電機組運行充電或由市電接入充電,并配置電池開關。經過改裝,底盤車電瓶也可由發電機組運行充電或由市電接入充電。
機組有智能充電器,可為蓄電池充電。智能充電器能根據電池電壓的不同狀況,分別采用不同的充電方式,確保以**的電流對電池充電,合理的充電電流能避免電池損壞,延長使用壽命,另外為充分保障機組可靠啟動及汽車底盤的應急啟動,經改裝機組電瓶與底盤電瓶互為備份。
8、車輛改裝
主體結構為在二類汽車底盤基礎上加裝全封閉**式隔音、降噪廂體而成。目前箱體結構由客車圓弧工藝或四方型普通工藝兩種。采用客車圓弧工藝,能減小風阻,減小油耗,外形美觀、大方,與普通工藝的四方型箱子比,立體感強,制造工藝復雜。廂體為六面體結構,采用**大板方艙粘接工藝,表面平整,外形美觀,能滿足防雨、防曬、防塵等要求;廂板為多層復合結構,外覆蓋件為冷軋薄鋼板,內覆蓋件為多孔金屬降噪吸音板,內外覆蓋件均經酸洗磷化處理;中間夾層填充阻燃吸音材料,可有效降低噪聲。
8.1車廂工藝
車廂總體材料用鍍鋅板及方管制作,冷板、方管及其它所用到的鐵質材料均經過酸洗除銹及過油防銹處理。車廂整體設計為低噪聲、防高溫、防火、防干擾的形式,使其分別滿足用戶使用技術要求。整體結構合理,外形美觀,移動方便迅速,密封性好,能防雨、防塵、防雪,可適合戶外工作和停放。
為了使車廂在大溫差,高海拔地域不出現油漆脫落、開裂等問題,在材料選型制作工藝上都做出了針對性的改進,焊接均由電弧焊完成,避免了發生虛焊、漏焊、裂縫及其他任何缺陷的隱患。為了減少車廂焊接點及車廂冷板補灰量,車廂蒙皮采用整塊板漲拉技術,避免了普通車廂焊接點多、鋼板厚、車身重、變形大、采用刮油漆膩子的方式彌補,日后出現車廂外觀變形開裂的質量隱患,從而保證車廂壽命在15年以上。
車廂內部整體發泡(環保對人無危害的聚氨酯發泡膠填充,使廂體隔音、隔熱性能優越;整車結構更堅固。聚氨酯泡沫(OCF)是氣霧技術和聚氨酯泡沫技術交叉結合的產物。它是一種將聚氨酯預聚體﹑發泡劑﹑催化劑等組分裝填于耐壓氣霧罐中的特殊聚氨酯產品。當物料從氣霧罐中噴出時,沫狀的聚氨酯物料會迅速膨脹并與空氣或接觸到的基體中的水分發生固化反應形成泡沫。固化后的OCF泡沫具有填縫﹑粘結﹑密封﹑隔熱﹑吸音等多種效果,是一種環保節能材料,產品具有縫隙、裂縫的密封、絕緣、填充,能保溫、抗寒、耐干燥、隔音和防潮等特點)技術采用德國 MAN客車發泡工藝,發泡層完全阻燃,起到加強車廂強度,提高車廂平整度,避免車廂受外力情況變形,而且起到隔音、隔熱、密封作用。
8.1.1**室
機組**室應與廂體隔開并作防水處理,人員日常操作在**室或駕駛室內部進行。車廂內設有**室,安裝**屏;操作**室主要設置有發電機組**屏,發電室觀察窗。考慮到發電車在救災、搶險、應急時的長時間使用,高溫、雨雪等戶外惡劣環境,配置了冷暖空調、沙發(長1.6米)

寬0.6米)、折疊桌子(長0.6米,寬0.4米),并配置發電車操作規程牌及發電車維護保養表,預留兩個二、三插孔的插座以備用臨時用電。操作室與發電機組室隔離并采取隔音降噪處理,操作室與機組之間開有觀察窗口及工作門,便于觀察發電機組工作狀況和進出機組間進行檢修保養工作。
8.1.2車廂內飾
電源車廂體內部地面(機組部分)鋪設一層電氣絕緣材料和專用減震橡膠板,與機組底座齊平。柴油發電機組運行時振動的單振幅值小于0.3mm。車廂底板先鋪設30mm厚橡膠板再鋪設3mm厚防滑花紋板,以降低車廂底板震動及隔斷機組噪音從車廂底板傳出。板上布置半封閉電纜走線槽道,上面裝有可活動槽蓋,方便安全檢修;廂體內部材料表面進行防腐蝕、防油污處理,維護通道采取防滑措施。車廂底部留漏水孔數個,供檢修放油或排水使用,不用時刻蓋上專用封口。
廂體全封閉結構,車廂所有鎖扣、拉手及電氣連接件全部采用不銹鋼材料精細制作,廂體所有螺栓連接件采用鍍鋅汽車專用螺栓。整個箱體門鎖配備了研發的專用不銹鋼門鎖,只要一把鑰匙就可以打開所有的門鎖。(普通的電源車要配備十幾把鑰匙,很不方便)。
8.1.3車廂下部
廂體下端采用下包裙結構,廂體設計有下圍箱,下圍廂內設置1個工具箱,放置相關維修工具、接地裝置(接地線及接地符號標志)等物品;密閉防水;另外下圍箱內安裝外接交流輸入插座,可以滿足車廂用電設備外接電源的要求。整體結構不影響汽車的通過性能。

8.1.4其他布局
機組配置加油口,方便機組加油。車底安裝數個排污管,以備檢修放油或放水用。車廂右前部設置上車踏步,開**下圍箱。車廂前部安裝一套維修不銹鋼工作梯。踏步和直梯設計美觀,位置布置合理。

廂體后部為雙開大門,打開門可操作電動電纜滾筒及動力電纜,柴油發電機組需大修時也可自該門移出。
廂體結構應為框架式,采用鋼結構底框架,防銹性鋼板覆蓋架底;部件排列合理、整齊;導線顏色和截面合理,布放平整,編號合理;按插件牢固;電源進出線符合工程需要;維修安全及方便;具備抗震措施。
8.2降噪及進排風系統
裸機的噪聲一般在105分貝左右,所以要分析各噪聲的來源進行針對性的處理改進。
發電機組產生噪聲的部位有:柴油發動機、發電機、冷卻風扇等。其中發動機的噪聲**為突出,氣門的周期性開啟閉合產生壓力脈沖噪聲,單位時間內的排氣噪聲、高溫高壓、廢氣噴注和沖擊噪聲,汽缸內的共振噪聲,排氣系統內部的湍流噪聲等等,噪聲成份復雜,頻帶很寬,在63-3KHZ的頻范圍內向周邊輻射高強度聲能。
冷卻風扇也產生旋轉噪聲和空氣的壓力脈動噪聲,它自身會產生85分貝左右的噪聲,頻率約125~2000HZ范圍,它在帶出發動機熱量的同時,也加大發動機表面的機械噪聲向外輻射。此外,由于發動機汽缸活塞的作用,在熱能轉為電能的整個過程中,還會生產強烈的振動。
發電機組的主要配件發動機在運行時需要足夠的空氣冷卻和燃燒,而汽車的車廂由于客觀條件的限制,必須做得足夠小,因此,設計一個合適的進排風口是降噪工作的重要環節。**先,確定進風口的位置,因發電機組的排風扇冷卻水箱在汽車的前部,所以從車廂的后側面進風**。冷風從后面進去前面出,帶出發動機外殼熱量和水箱的熱量。以發電機組排風口的水箱的面積為基準(因水箱面積是發電機軸流風機的排風口),考慮一些局部的阻力損失,取電源車的排風口截面積為水箱面積的1.2倍,而進風口的截面積為排風口截面積的1.5倍,使車廂內有很小的負壓,使燃燒空氣能充分進入汽缸,保證燃料的充分燃燒和車廂內的降溫效果。
發電機組安裝的廂體內部進行降噪處理,降噪消音材料采用長時間使用對人體無害的復合材料;廂體經過降噪處理后,發電機組正常帶載工作時,車輛整體噪音(距**1米、高度1.6米處)左右兩側低于85db。
吸音材料——由于整個車廂都是金屬制品,廂內表面材料平均吸聲系數很小,聲波的反射次數很多,反射的聲能很大。為了克服這一問題,在車廂內的側面和頂部,都做了高效吸聲體(該產品的平均吸聲系數在0.9以上),車廂內的所有表面平均吸聲系數提高到0.6以上,減少了車廂內的混響聲。車廂先整體發泡,發泡層完全阻燃,起到加強車廂強度,避免車廂受外力情況變形,而且起到隔音、隔熱作用。在發泡層上鋪設吸音層,吸音材料采用日本進口吸音材料,防火、吸音。內板再鋪設防銹專用吸音鋼板。

靜音車廂的內、外蒙皮及吸聲體:按照降噪的需要車廂外蒙皮采用鋼板,采用新工藝與骨架粘接;內蒙皮采用1mm厚開孔率為25%的多孔鋁板,平整鋪設后用抽芯鋁鉚釘和骨架鉚接,在各接縫處用角鋁壓條和平壓條予以美觀處理;內外蒙皮之間填充高阻尼隔音材料及容重30kg/m3,離心玻璃纖棉作為吸音材料;其組合方式:外蒙皮+高阻尼隔音材料+離心玻璃纖維棉+無紡布+多孔鋁板。根據多方驗證表明:這種復合結構是一種比較理想的降噪吸聲材料組合,在電源車靜音箱體及機組房降噪設計過程中廣泛使用。

進風口——采用迷宮式消聲裝置,使進風口無直達聲波向車廂外輻射。而逆風時聲波的傳播方向向上,結合迷宮式的通道,噪聲很少從進風口輻射出去。為可封閉百葉窗,達到廂體密閉,以避免電源車不使用時粉塵、顆粒進入發電機組室。
為保證機組進氣口處的噪音小于85db,整個進氣系統設計進風消聲器,分別放置在百葉窗和消音彎頭的后面,采用阻性消音器,具有體積小、重量輕、消音頻譜寬、消音量大及流阻損失小等特點。內部結構主要由吹塑成型的穿孔塑料管,塑料管周圍覆以吸音材料,外部框架由優質鋼板機加成型。為防止機組在工作時吸入較大的灰塵顆粒,在進氣百葉窗和**級消音器之間設有鋼絲網。
排風口——發電機組安裝后水箱**車廂的前部一般只有1000mm距離,在這1000mm距離間安裝排風消聲元件,采用了弧型的阻性吸聲片和Φ160的圓柱型吸聲體橫直兩道,圓柱型吸聲體橫放在里面,弧型吸聲片直接放在外面(留有足夠的通風面積),使聲波在向外輻射時充分能接觸到消聲元件,從而達到降低噪聲的目的。
排煙口——也是發電機組噪聲**的地方,設計了一種消聲器(插入損失)高于35分貝的阻抗復合消聲器,阻性吸聲材料采用硅酸鋁,用三節消聲,中部用1/4排煙口截面大小的圓管若干根,管上鉆相當數量的小孔,它的擴張比**能達到30,這樣在寬頻帶噪聲范圍內有較好的消聲效果。排煙系統主要由波紋補償器、轉接段、擴壓彎頭、矩形波紋補償器、排氣出口段、排氣門等組成。擴壓彎頭**排氣出口段之間的管道,采取了隔聲和隔熱措施,出口噪聲值<85db(A)。排煙管出口溫度約500℃,電源車使用一段時間后,在排煙口(車廂頂部)周圍的油漆及膩子會脫落,為避免此現象,我司電源車排煙口位置車廂材料采用不銹鋼板。

車廂底板——因發電機組在運行過程中會產生機械震動,在車廂底板做了吸聲體及日本進口竹膠板隔音體,極大地減少了機組震動產生的噪聲。竹膠板上再鋪設3mm厚防滑鋁板。
根據電源車專用設計標準進出風面積設計依計:
|
進風口面積 |
m2 |
大于1.5倍散熱器凈排風面積 |
|
排風口面積 |
m2 |
大于1.2倍散熱器凈排風面積 |
通過上述處理,在非風口處,距離電源車車體一米處的噪聲值**在85db。
在保證了發電機組額定功率下需求的進出風量前提下**電源車噪聲在85db以內。
8.3車輛電氣系統

8.3.1 10kV環網柜
10KV開關柜為全絕緣、免維護、SF6充氣式開關柜,環網柜氣箱采用不銹鋼材料,整體焊接而成為全密閉、全絕緣結構,具有防水、耐腐蝕、抗污染等特點,環網柜的結構滿足戶外全天候運行條件,保證工作人員的安全,且便于運行、維護、檢查、監視、檢修和試驗。柜體從右往左依次排列為,1AH PT柜,2AH 發電機組進線柜,3AH 市電進線柜,4AH 發電機組出線柜,10KV 開關柜,**操作、保護電源為DC2V,10KV環網柜需配合柴油發電機與市電不停電電網并聯和解列運行功能,可實現與柴油發電機組**單臺及多臺發電車并網。環網柜配置帶電顯示器,便于運行檢修時查知每路帶電狀態。
8.3.2電纜及電纜盤
輸出電纜采用國標重型橡膠軟電纜(電纜型號及長度以供貨范圍為標準),車廂下部安裝有接線箱。接線箱帶防水航空快速插座。該電纜阻燃、耐高溫、抗油性能好,電纜連接采用快速插頭。
輸出電纜纏繞在電纜盤上,電纜盤以液壓驅動收放電纜。收放電纜在地面操作,電纜盤體采用鋼質材料整體鍍鋅,經過酸洗除銹,高溫油浸處理。其安裝于廂體后部,打開后開門即可操作,輸出接線位置在廂體側后下部的接線箱內,采用快速插頭接線方式,快速接頭能滿足帶電拔插需求;手動兩用型電纜卷盤,可以實現自動收放電纜線,每根電纜可以**操作。其電纜盤動力取自底盤變速箱取力,相對于傳統電機驅動,具有扭矩大、運行穩定、過載保護能力強等特點。
8.3.3車輛照明系統
防音廂內部機組室、**面板上及下圍接線箱內均設有直流(DC24V/9W/3W)照明系統,在防音廂內備有交流(AC220V/16)插座。機組室內布置有兩盞交流防爆照明燈(AC220/BYP-1/20W)。車廂內照明設備為防爆日光燈,**面板上及接線箱內均設有交流(AC220V)、直流(DC24V)兩路照明系統。在**室、電纜室、機組室分別布置1盞、1盞、4盞共6盞鑲嵌入車廂頂部的交、直流照明防爆燈,電源分別由機組電瓶及機組電源提供。滿足機組室、**室、電纜室照明照度要求。

8.3.5電氣保護
電源車**系統具有過流、過負荷、短路、漏電等保護措施,配電系統均采用具有過流、過負荷、短路等保護措施的電器元件。
電源車在一定的三相對稱負載下,在其中任一相上再加25%額定相功率的電纜性負載,當該相的總負載電流不超過額定值時能正常工作;線電壓的**(或**?。┲祽c三線電壓平均值之差不超過三線電壓平均值的5%;兩臺電源車在20%~**總額定功率范圍能穩定的并聯運行,且可平穩轉移負載的有功功率和無功功率,其有功功率和無功功率的分配差度不大于10%;不同容量的電源車并聯,發電車**功率與**小功率之比不大于3:1,且具有相似調速特性的
條件下,電站在負載總功率為并聯運行電站總額定功率的20%~**范圍內能穩定地并聯運行,各電站實際承擔的有功功率和無功功率與接額定有功功率和無功功率的比例分配之差不大于各臺電站中**功率額定有功功率和無功功率的10%及**小功率電站額定有功功率和無功功率的25%。
防雷裝置
車載配電柜內裝有浪涌保護器,釋放雷電或兼能釋放電力系統操作過電壓能量,保護機組及電氣設備免受瞬時過電壓危害,又能截斷續流,不致引起系統接地短路的電器裝置。避雷器安裝于發電機組三相導線與地之間,與被保護設備并聯。當過電壓值達到規定的動作電壓時,避雷器立即動作,流過電荷,限制過電壓幅值,保護設備絕緣;電壓值正常后,避雷器又迅速恢復原狀,以保證系統正常供電。
接地裝置
電源車底部大梁位置安裝有接地裝置,接地電纜用YC-1*25mm2電纜20米。接地電纜繞在自動收線卷盤并固定在車廂下部。接地棒采用∮16圓棒,圓棒鍍鋅處理以防止生銹及保證良好的導電性能。接地及漏電保護;發電機組與廂體、**系統、充電系統、交直流輸出輸入系統、所有門與車架組成可靠的接地系統,并統一接致車身大梁位置,接地觸點采用拋光打磨鍍錫處理。并保證每個接地點對地電阻≤2歐母。
8.4**設備
8.4.1液壓支撐系統



